
Līdz STM8S103F3P6 ir 8 bitu mikrokontrollers, ko ražo STMicroelectronics, kas slavens ar savu iespaidīgo funkcionalitāti un bezšuvju integrāciju.Šī kompaktā ierīce ir aprīkota ar uz virsmas uzstādītu ierīces (SMD) montāžas stilu, iemiesojot uzlabotu serdi un perifērismas, kas tiek rūpīgi ražota, izmantojot progresīvas tehnoloģijas.Ar pulksteņa frekvenci 16 MHz STM8S103F3P6 var lepoties ar spēcīgu I/O spēju, nodrošinot efektīvu datu apstrādi un apstrādi.Tā neatkarīgais sargsuņa taimeris, kas aprīkots ar neatkarīgu pulksteņa avotu un pulksteņa drošības sistēmu, garantē optimālu ierīces veiktspēju un noturību pret iespējamiem traucējumiem.
Viena no tās izcilajām funkcijām ir tā zibatmiņa, kas nodrošina nemainīgu kodu un datu krātuvi.Ar darba sprieguma diapazonu no 2,95 V līdz 5,5 V šis mikrokontrollers ir ļoti daudzpusīgs un pielāgojams dažādiem lietojumiem.Turklāt tas piedāvā plašu darba temperatūras diapazonu no -40 ° C līdz 85 ° C, padarot to piemērotu izvietošanai dažādos vides apstākļos.
• MSP430G2353
• PIC16LF18444T
• STM8S103F3P3
• STM8S103F3P3TR
• STM8S103F3P6TR


Zema enerģijas patēriņš: tai ir dažādi maza enerģijas patēriņa režīmi, no kuriem izvēlēties, ieskaitot dīkstāves režīmu, miega režīmu, dziļu miega režīmu un izslēgšanas režīmu, kas var efektīvi pagarināt akumulatora darbības laiku un ietaupīt enerģiju.
Augstā veiktspēja: tā pieņem augstas veiktspējas STM8 kodolu arhitektūru, kas ļauj darbības frekvencei sasniegt pat 16MHz, kas ievērojami uzlabo instrukcijas izpildes ātrumu un nodrošina efektīvākas skaitļošanas iespējas mūsu lietojumprogrammām.
Vairākas sakaru saskarnes: tas atbalsta dažādas sakaru saskarnes, ieskaitot SPI (sērijveida perifēro interfeiss), I2C un UART.Izmantojot šīs saskarnes, tā var viegli sazināties un mijiedarboties ar ārējām ierīcēm, lai sasniegtu vairāk funkciju un lietojumprogrammu.
Bagātīgas perifērijas ierīces: STM8S103F3P6 mikrokontrolleram ir bagātīgi perifērie resursi, ieskaitot 16kB zibatmiņas un 1KB RAM atmiņas, kā arī parasti izmantotas saskarnes, piemēram, GPIO tapas, taimeri un UART.Šo perifēriju daudzveidība padara ierīci piemērotu dažādiem lietojumprogrammu scenārijiem un var apmierināt dažādu jomu un nozares vajadzības.Neatkarīgi no tā, vai tā ir rūpniecības vadība, viedās mājas vai iegultās sistēmas, STM8S103F3P6 var sniegt atbalstu.

STM8S103F3P6 ir iesaiņots plānā saraušanās mazā kontūrā (TSSOP), un tam ir 20 tapas.Ķermeņa un svina atstarpe ir mazāki nekā standarta SOIC paketes.Tipiska TSSOP iezīme ir tapu veidošanās ap iesaiņoto mikroshēmu, kas padara to piemērotu vadu uzstādīšanai uz PCB, izmantojot SMT tehnoloģiju.Izmantojot TSSOP paketi, parazītu parametri (izejas sprieguma traucējumi, ko izraisa lielas strāvas izmaiņas) ir mazāki, tāpēc tie ir piemēroti augstfrekvences lietojumprogrammām.Šāda veida pakete ir ērtāka darbībai, un tai ir lielāka uzticamība.
TSSOP paketē ir šādas funkcijas:
• Neliels tapas atstatums: tapas atstatums parasti ir 0,5 mm vai 0,65 mm.Izmantojot shēmas plates vara stieņus, uz ķēdes plates var novietot vairāk ierīču ar tādu pašu laukumu un izmēru.
• Plaša lietojuma joma: to var izmantot dažādiem lietojumprogrammu laukiem, piemēram, mikrokontrolleriem, DSP, atmiņas mikroshēmām un barošanas avota mikroshēmām.
• Augsts tapu skaits: tapu skaits parasti ir ap 20 līdz 64, kas var izpildīt noteiktas mikroshēmas integrācijas prasības.
• Neliels iepakojuma lielums: Salīdzinot ar parasto mazo kontūru (SO) paketēm, tā iepakojuma izmērs ir mazāks, biezums ir plānāks un tilpums ir mazāks, padarot to piemērotu augstas blīvuma integrētu shēmu iesaiņošanai.
• Augsta veiktspēja: tā izmanto virsmas kalnu tehnoloģiju, tai ir laba vadītspēja un izturība pret koroziju, un tā var izpildīt īpašas prasības, piemēram, lielas ātruma, augstfrekvences, miniaturizācijas un tā tālāk.
Ja vien nav norādīts citādi, visi spriegumi tiek minēti VSS.
Minimālās un maksimālās vērtības tiek garantētas visnelabvēlīgākajos apstākļos, kas ietver apkārtējās vides temperatūru, barošanas spriegumu un frekvences.Šīs garantijas tiek noteiktas, veicot stingrus ražošanas testus, kas veikti 100% ierīču, kas tiek veikti ar apkārtējās vides temperatūru TA = 25 ° C un TA = TAMAX (kā to nosaka izvēlētais temperatūras diapazons).
Vērtības, kuru pamatā ir raksturojuma rezultāti, dizaina simulācijas un/vai tehnoloģiskās īpašības, ir aprakstītas tabulas zemsvītras piezīmēs, un tām nav veikta ražošanas pārbaude.Attiecībā uz raksturojumu minimālās un maksimālās vērtības attiecas uz parauga novērtējumiem un apzīmē vidējo vērtību ar plus vai mīnus diapazonu trīs reizes pārsniedz standartnovirzi (vidējais ± 3σ).
Ja vien nav skaidri norādīts citādi, standarta dati tiek noteikti ar TA = 25 ° C, VDD = 5 V. Šīs vērtības tiek nodrošinātas tikai kā dizaina atsauces un nav veiktas pārbaudes.
ADC vērtību tipiskā precizitāte tiek noteikta, raksturojot paraugu kopu no standarta difūzijas partijas visā temperatūras diapazonā.Šajā kontekstā 95% ierīču ir kļūda norādītajā vērtībā (vidējais ± 2σ).
Ja vien nav īpaši norādīts, visi standarta diagrammas ir paredzētas tikai kā dizaina atsauces, un tie nav pakļauti testēšanai.
Pārsniedzot norādīto absolūto maksimālo vērtējumu, ierīces bojājumi var izraisīt neatgriezenisku bojājumu.Šie vērtējumi tikai norāda uz sprieguma robežām, kuras ierīce var izturēt, un netiek domāts, ka ierīce šajos apstākļos darbosies pareizi.Apstākļu iedarbība maksimālajā vērtējumā vai tā tuvumā var nelabvēlīgi ietekmēt ierīces uzticamību.
Ierīces misijas profils, kas izklāsta tā piemērošanas nosacījumus, ievēro JEDEC JESD47 kvalifikācijas standartu, un pēc pieprasījuma ir pieejami paplašināti misijas profili.
Lai sasniegtu primārā regulatora stabilitāti, ārējs kondensators, kas marķēts ar CEXT, jābūt savienotam ar VCAP tapu.Ir svarīgi nodrošināt, ka sērijas induktivitāte paliek mazāka par 15 NH.
Pašreizējo patēriņu mēra, kā parādīts šajā attēlā.

Kopējais piegādes strāvas patēriņš palaišanas režīmā
MCU ir novietots šādos apstākļos:
• Visas perifērijas ierīces ir atspējotas (pulkstenis tiek apturēts ar perifērijas pulksteņa atgūšanas reģistriem), izņemot, ja tas ir skaidri minēts.
• Visas I/O tapas ievades režīmā ar statisko vērtību VDD vai VSS (bez slodzes)
Pakļauti vispārīgiem VDD un TA darbības nosacījumiem.

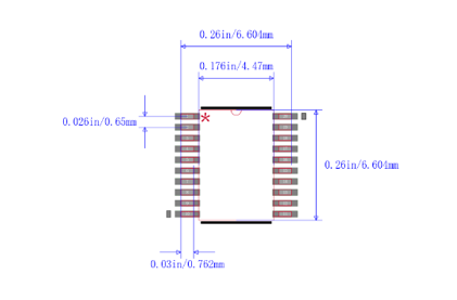
STM8S103F3P6 ir 20 tapas, tā PIN nosaukumi un funkcijas ir šādas:
Pin1 (PD4/ BEEP/ TIM2_ CH1/ UART1 _CK): ports D4
Pin2 (pd5/ ain5/ uart1 _tx): ports D5
Pin3 (pd6/ ain6/ uart1 _rx): ports D6
PIN4 (NRST): atiestatīt
PIN5 (PA1/oscin): ports A1
PIN6 (PA2/OSCOUT): PORT A2
Pin7 (VSS): digitālā zeme
PIN8 (VCAP): 1,8 V regulatora kondensators
PIN9 (VDD): digitālā barošanas avots
Pin10 (PA3/ Tim2_ CH3 [SPI_ NSS]): ports A3
Pin11 (PB5/ I2C_ SDA [Tim1_ Bkin]): Port B5
Pin12 (pb4/ i2c_ scl): ports B4
Pin13 (PC3/ TIM1_CH3 [TLI] [Tim1_ CH1N]): ports C3
Pin14 (PC4/ CLK_CCO/ TIM1_ CH4/ AIN2/ [TIM1_ CH2N]): ports C4
Pin15 (PC5/ SPI_SCK [Tim2_ CH1]): Port C5
Pin16 (PC6/ SPI_MOSI [Tim1_ CH1]): ports C6
Pin17 (PC7/ SPI_MISO [Tim1_ CH2]): Port C7
Pin18 (PD1/ peldēšana): osta D1
Pin19 (pd2/ ain3/ [tim2_ ch3]): ports D2
PIN20 (PD3/ AIN4/ TIM2_ CH2/ ADC_ ETR): ports D3
As shown in the figure above, the STM8S103F3P6 chip has up to 16 I/O pins, which can be used for a variety of purposes, such as GPIO, peripheral interfaces, ADC, etc. Its I/O pins are bidirectional and can beIzmanto kā ievades tapas, lai nolasītu ārējos signālus vai kā izejas tapas, lai nosūtītu signālus uz ārējām ierīcēm.Turklāt katru I/O tapu var patstāvīgi piešķirt pārtraukuma vektoram, lai atvieglotu precīzu pārtraukumu apstrādi, kad tie notiek.
• Automatizācijas sistēmas: Šo mikrokontrolleru var izmantot tādās automatizācijas sistēmās kā elektriskie aizkari, piekļuves vadības sistēmas, temperatūras kontrole un apgaismojuma kontrole.
• IoT (lietu internets) Lietojumprogramma: ja mums jāizstrādā IoT ierīces, to var izmantot kā kontrolieri IoT mezgliem, lai savienotu un kontrolētu dažādus sensorus un sakaru moduļus.
• Personīgās elektroniskās ierīces: Izmanto digitālajās kamerās, MP3 un MP4 spēlētājos, elektronisko spēļu konsolēs utt.
• Elektroniskā iekārta: izmantots dažādu elektronisko aprīkojuma izstrādei
, piemēram, elektroniskās rotaļlietas, tālvadības ierīces, mini kalkulatori utt.
• Rūpnieciskais lauks: Izmanto PLC, rūpniecības kontrolieros, procesu automatizācijā un kuģu automātiskajā vadības iekārtā utt.
• Datu iegūšana un sensora interfeiss: Izmanto vides apstākļu uzraudzībai un datu vākšanai vai dažādu sensoru, piemēram, gaismas sensoru, temperatūras sensoru un mitruma sensoru, savienošanai.
• Iegultā vadības sistēma: Izmanto dažādas iegultās vadības sistēmu izstrādei, piemēram, mājsaimniecības ierīcēm, rūpniecības aprīkojumam, elektroinstrumentiem utt. Tā 8 bitu apstrādes jauda ir pietiekama daudziem vienkāršiem vadības uzdevumiem.
STM8S103F3P6 ir mikrokontrollera mikroshēma, ko izstrādājusi STMicroelectronics.Tas pieder 8 bitu mikrokontrolleru STM8 saimei, un to plaši izmanto dažādās iegultās sistēmās un IoT lietojumprogrammās.
STM8S103F3P6 mikrokontrollera vienībai ir 640 bitu ROM, 10 bitu 5 kanālu ADC, 1KB RAM un ar programmas atmiņas izmēru 8KB.
Mēs varam aizstāt STM8S103F3P6 ar MSP430G2353, PIC16LF18444T, STM8S103F3P3, STM8S103F3P3TR vai STM8S103F3P6TR.
Jā, STM8S103F3P6 ir izstrādāts ar mazjaudas funkcijām, un to var izmantot ar akumulatoru darbināmiem vai mazjaudas lietojumiem, kur ir būtiska energoefektivitāte.
Dažas galvenās STM8S103F3P6 iezīmes ietver GPIO (vispārējas nozīmes ievades/izvades) tapas, UART (Universal asinhronais uztvērējs/raidītājs) komunikācija, I2C (savstarpēji integrēta ķēde) komunikācija, SPI (sērijveida perifērijas interfeiss) komunikācija, taimeri un vairāk.
PAR MUMS
Klientu apmierinātība katru reizi.Savstarpēja uzticēšanās un kopīgas intereses.
Litija monētu šūnu CR2354 tehniskās specifikācijas
2024-08-02
Visaptverošs rokasgrāmata ATMEGA328-PU mikrokontroller
2024-08-02
T491B685K010ZTPB01E-pasts: Info@ariat-tech.comHK TEL: +852 30501966PIEVIENOT: Rm 2703 27F Ho King Comm Center 2-16,
Fa Yuen St MongKok Kowloon, Honkonga.